Адресный модуль управления пожаротушением МПТ-1 прот.R3 предназначен для организации систем порошкового и газового пожаротушения. Работает в составе адресной системы под управлением приемно-контрольного прибора «Рубеж-2ОП» прот.R3.
Модуль пожаротушения является программируемым устройством. Конфигурация входов и выходов задается пользователем с приемно-контрольного прибора, либо через ПО ОПС «FireSec».
Модуль пожаротушения МПТ-1 прот.R3 обеспечивает:
- управление автоматическими устройствами пожаротушения по командам, поступающим по 2-х проводной адресной линии связи (АЛС) от приемно-контрольного прибора, а также вручную по сигналу от ЭДУ-ПТ;
- подключение и работу светозвуковых оповещателей;
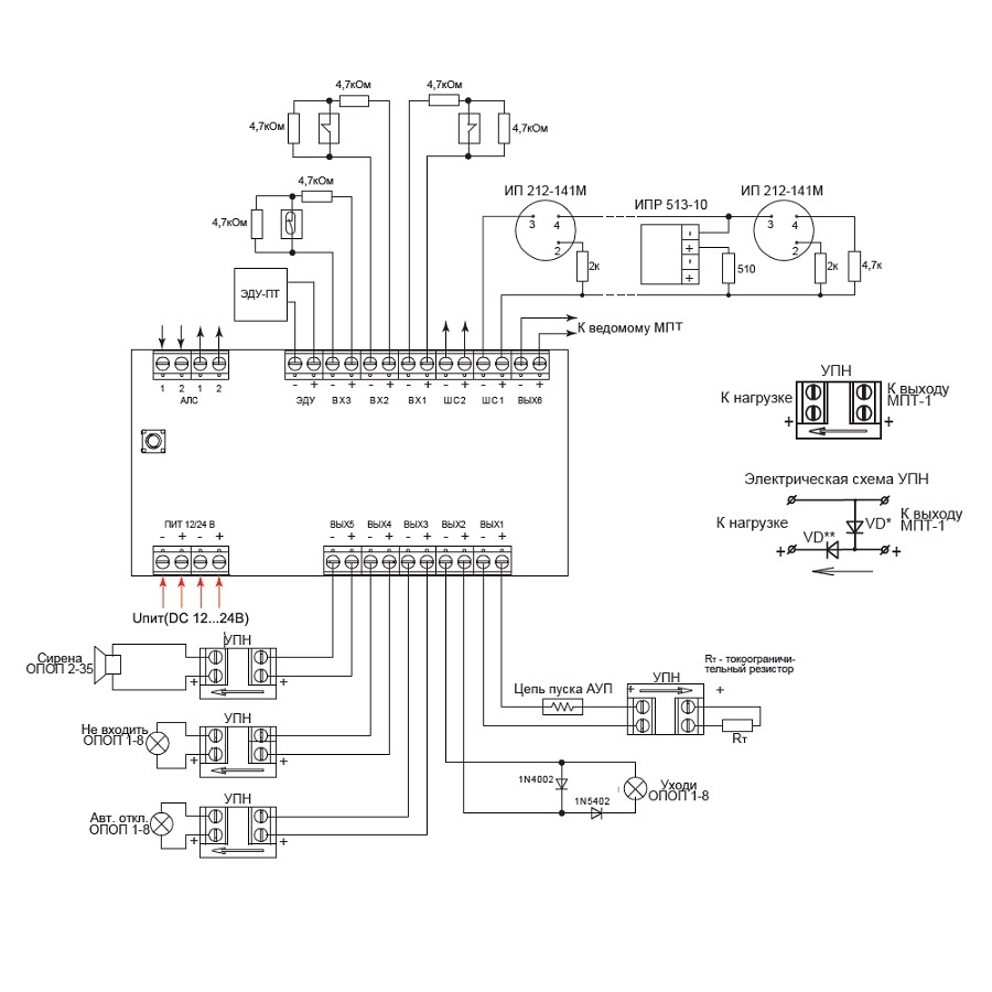
- возможность подключения двух шлейфов сигнализации (ШС) с неадресными пожарными извещателями ИП 212-45, ИП 212-141М или аналогичными, а также ручными пожарными извещателями ИПР 513-10 или аналогичными, для запуска тушения автономно, без участия ППКП;
- формирование временной задержки перед включением АУП;
- контроль открытия дверей и окон по датчику «Двери-Окна»;
- контроль выхода огнетушащего вещества по датчикам «Масса» и «Давление» для газового пожаротушения;
- контроль выходных и входных цепей на обрыв и короткое замыкание (световой и звуковой сигнализации, выходов пуска АУП);
- различные тактики включения световой, звуковой сигнализации и выходов пуска АУП;
- светодиодную индикацию статуса, режимов работы и наличия связи с центральным прибором;
- контроль своей работоспособности и передачу информации о происходящих событиях по АЛС на ППКП.
- два независимых ввода питания;
- контроль вскрытия корпуса модуля.
Логика работы выходных цепей (ВЫХ1-ВЫХ5) задается пользователем при конфигурировании.
Модуль имеет 2 статуса: ведущий и ведомый. Ведомый управляется от ведущего и предназначен для увеличения количества выходов для управления устройствами пожаротушения и оповещения.
Питание модуля осуществляется от внешнего источника питания.
Адресные линии связи гальванически развязаны по постоянному току от источника питания прибора.
Модуль пожаротушения МПТ-1 прот.R3 имеет возможность установки на DIN-рейку с помощью специальной крепежной планки (в комплект поставки не входит и комплектуется по отдельному заказу).
Модуль МПТ-1 прот.R3 комплектуется устройствами подключения нагрузки (УПН) для обеспечения контроля линии на КЗ и обрыв. УПН представляет собой плату с установленными диодами, входным клеммником для подключения к линии от реле МПТ и выходным клеммником для подключения к нагрузке (исполнительному устройству).
Для обеспечения контроля линии на короткое замыкание и обрыв УПН должен быть подключен непосредственно к нагрузке (к исполнительному устройству) согласно схеме подключения к Вых5 - Вых3, изображенной на рисунке. Если необходимо контролировать целостность цепи нагрузки, то подключение производится по схеме, подключенной к Вых1 на рисунке. Вместо УПН для контроля цепи можно использовать диоды - Вых2 на схеме.
Для контроля состояния «Обрыв» во включенном состоянии выхода необходимо обеспечить протекание тока через нагрузку, величиной не менее 25 мА. Если устройство нагрузки потребляет ток менее 25 мА, то параллельно ему подключается резистор для повышения тока потребления. Номинал такого резистора необходимо расчитывать в зависимости от нагрузки, подключаемой к выходу (необходимо учитывать ее токопотребление).
Некоторые установки тушения (АУП), подключаемые к выходам МПТ-1, имеют малое сопротивление пусковой цепи и в момент их включения возникает большой ток, что может привести к перегрузке и отключению источника питания МПТ-1. При этом установка тушения может не успеть сработать. Чтобы этого избежать необходимо установить в цепь запуска АУП токоограничительный резистор. Номинал резистора рассчитывается в зависимости от электрических параметров запуска установки пожаротушения.
Напряжение питания | от 10,5 до 28,5 В |
Ток потребления МПТ-1 прот.R3: от внешнего источника питания напряжением 12В (24В), без учета потребления ИУ, подключенных к выходам, не более от адресной линии связи, не более |
при 12 В не более 20 мА при 24 В не более 15 мА |
Ток, обеспечиваемый каждым выходом, не более Ток, обеспечиваемый всем модулем (суммарный ток по всем выходам одновременно), не более |
2 А 5 А |
Ток контроля исправности выходной цепи в выключенном (включенном) состоянии выхода | не менее 2 мА (не более 10 мА) |
Ток контроля входов для подключения датчиков «Масса», «Давление», «Двери-Окна», не более | 0,85 мА |
Количество подключенных к каждому ШС извещателей, не более | 30 |
Количество ЭДУ-ПТ, подключенных к клеммам ЭДУ, не более | 4 |
Общая длина линии связи для подключения ЭДУ-ПТ к модулю, не более | 30 м |
Габаритные размеры модуля, не более | 170х108х42 мм |
Масса, не более | 220 г |
Рабочий диапазон температур | от -25 до +60°С |
Вас интересует
Адресный модуль управления пожаротушением МПТ-1-R3



Адресный модуль управления пожаротушением МПТ-1-R3 от интернет-магазина "Точка Безопасности" это:
Заметили ошибку?
Пожалуйста, сообщите нам shop@point-s.ru
Мы обязательно исправим.